Up
Factory Visit

 

Service, Sales, Articles, Information

Note: For the large documents, particularly via slow (dial-up) connections, it's recommended you download the file and view offline.  For Mozilla users, right-click on the link and select "Save link as..."; For IE users, right-click and select "Save target as..."

Manuals

BS90 Owners Manual: This is a 2MB B/W Portable Document Format.

BS90-100 All Models Parts Catalog : This is a direct scan into a 2.4MB B/W Portable Document Format. The creation of a Word Perfect file was skipped, so text and layout quality isn't as good. (But much time was saved, and it's the exploded views you really want anyway, right?)   

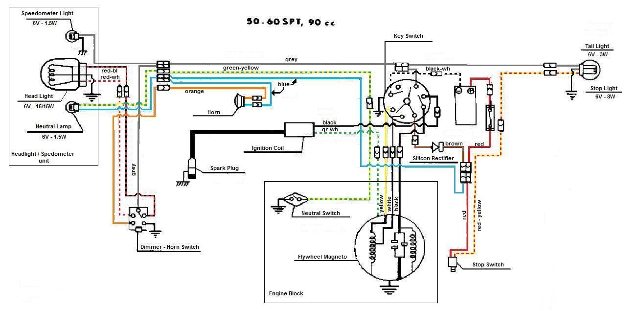
BS50-90cc Wiring Diagram: Color enhanced.

BS50-175cc Optional Parts Manual: This is a 2.7MB B/W Portable Document Format.

BS100TMX Parts Catalog : This is a 150KB Portable Document Format file.

BS175 Parts Catalog : This is a 2.3MB Medium Resolution Portable Document Format generated from a 30.7MB High-Resolution WordPerfect8 Document.  

BS 50-200cc Service Manual : This is a 5.9MB Medium-Low Resolution Portable Document Format generated from a 67.3MB High-Resolution WordPerfect8 Document.  

BS350 Parts Catalog : This is a 1.6MB Medium Resolution Portable Document Format generated from a 21.9MB High-Resolution WordPerfect8 Document.  

BS 350cc Service and Performance Manual : Revision 2. This is a 2.9MB 150dpi Portable Document Format generated from a 51.9MB WordPerfect9 Document.  

Bridgestone Service Letters : This is a 855KB Medium-Low Resolution Portable Document Format generated from a 8.8MB High-Resolution WordPerfect8 Document.

Rockford Parts Price List: This is a 1.7MB Medium Resolution Portable Document Format with searchable text.  Requires Adobe v6 or later.

 

Brochures

Bridgestone Sales Brochure : This is a high resolution full size (13.75" x 18") sales brochure (as seen on home page) of the Bridgestone model lineup in 1970 (including a comparative spec. sheet) and is a 6.7MB six-page color Portable Document Format.

BS7 Sportster Brochure : This illustrates the Model C206 and C207 Bridgestones, and is a 2.5MB two-page color Portable Document Format.

BS90 Sport Brochure : Distributed in Australia.

BS100 Sport Brochure : Distributed in Australia, 1968

 

Dealer Letters & Sales Bulletins

Rockford Accessory and Promotional Material Price List : This lists the Bridgestone accessories that were available through Rockford Motors and is an 81KB four-page B/W Portable Document Format.

New Accessory, Locking Gas Caps : Sales bulletin for new locking gas caps for 50SP, 60SP, 90's, 100SP, 175's, 350's.  This is a 143KB Portable Document Format.

BS90 Sport -- new low price : Rockford promotional sales letter to dealers.  This is a 100KB Portable Document Format.

BS60 Explorer -- for camping enthusiasts : Rockford promotional sales letter to dealers.  This is a 94KB Portable Document Format.

Rockford Motorcycle Guarantee Bond : Rockford motorcycle warrantee card.  This is a 50KB Portable Document Format.

Bridgestone Factory Inspection Certificate : Factory certification tag attached to delivered motorcycles, this from a 1966 BS175DT.  This is a 23KB Portable Document Format.

Gas & Oil tag : Factory tag attached to new motorcycles with information regarding gas and oil.  This is a 29KB Portable Document Format.

Break-in tag : Factory tag attached to new motorcycles with break-in information.  This is a 19KB Portable Document Format.

Dealer Parts Order Form : Dealer order form for Rockford Motors.

 

Articles

 BS100Trail Impression : This is a two-page riding impression article as it appeared in Cycle World, August 1968, and is a 750KB Portable Document Format.

BS175DT Road Test:  #148 as it appeared in Cycle Magazine, March 1966, and is an 836KB Portable Document Format.

BS175HS Road TestCycle World magazine, January 1967, and is a 2.4MB Portable Document Format.

BS175HS Road TestCycle magazine, January 1967, and is a 5.2MB Portable Document Format.

BS350GTO Road TestCycle World magazine, October 1970, Bridgestone 350GTO and is a 1.4MB Portable Document Format.

BS100 Sport, BS175DT, BS350GTR: Article from Australian Classic Motorcycling, 1990.

Son of Secret Weapon article from March 1969 Cycle Magazine.  Bridgestone 350GTR race bike. 1.5MB Portable Document Format.

Bridgestone 350GTR Tune-up article from June 1968 Cycle Guide Magazine : This is a 564KB 150dpi Portable Document Format generated from a 14.2MB High-Resolution WordPerfect8 Document, scanned from a very beat up copy of the article.

Accel Ignition Amplifier (Transistorized Ignition) article from September 1977 Cycle World Magazine : This is a 29KB Portable Document Format generated from a 32KB WordPerfect9 Document, scanned from a very beat up and faded photocopy of the article. The pictures are omitted due to the poor quality. I installed the Accel product on my '68 350GTR many years ago along with a solid state rectifier. The article is written to explain installation on a Yamaha RD350, but when I get time I will include instructions and pictures specific to the Bridgestone.

Bridgestone Factory Visit.  Joe Parkhurst, managing editor, and Ivan Wagar, editor, of Cycle World, visit the Bridgestone factory in Japan in late 1966.

Two-Stroke Oil Premix Ratios Cycle magazine, February 1978. Scanned from a copy. Searchable. 517KB Portable Document Format.

Do You Really Want to Know About Expansion Chambers?  Cycle magazine, April-May 1972.  Scanned from a copy. Searchable.  1.5MB Portable Document Format.

The Aspirin-Taker's Guide to Two-Stroke Port TimingCycle magazine, January 1973.  Scanned from a copy. Searchable.  323KB Portable Document Format.

Top End Rebuild: Cycle magazine, December 1976.  Scanned from a copy. Searchable. 916KB Portable Document Format.

The Effect of Crankcase Volume and the Inlet System on the Delivery Ratio of Two-Stroke Cycle Engines.  Society of Automotive Engineers, 1967. Scanned from a copy.  Searchable. 630KB Portable Document Format.

A Study of the Delivery Ratio Characteristics of Crankcase-Scavenged Two-Stroke Cycle Engines.  Society of Automotive Engineers, 1969. Scanned from a copy.  Searchable. 1MB Portable Document Format.

L-ring Effect on Air-Cooled Two-Stroke Gasoline Engines.  Society of Automotive Engineers, 1973. Scanned from a copy.  Searchable. 382KB Portable Document Format.

The Effect of Higher Compression Ratio in Two-Stroke Engines. 1993.  Searchable.  217KB Portable Document Format.

 

Books

Tuning Up for Competition:  Bridgestone Motorcycles Tuning Up for Competition, published by Bridgestone, covering the 350GTR/GTO, 175DT/HS and 100 Sport models.  Scanned directly to a 9.6MB Portable Document Format, v6.  A lower resolution version is available here at 7.6MB, but is also text searchable.